VA-mètre industriel pour 250A 2-500V intégré

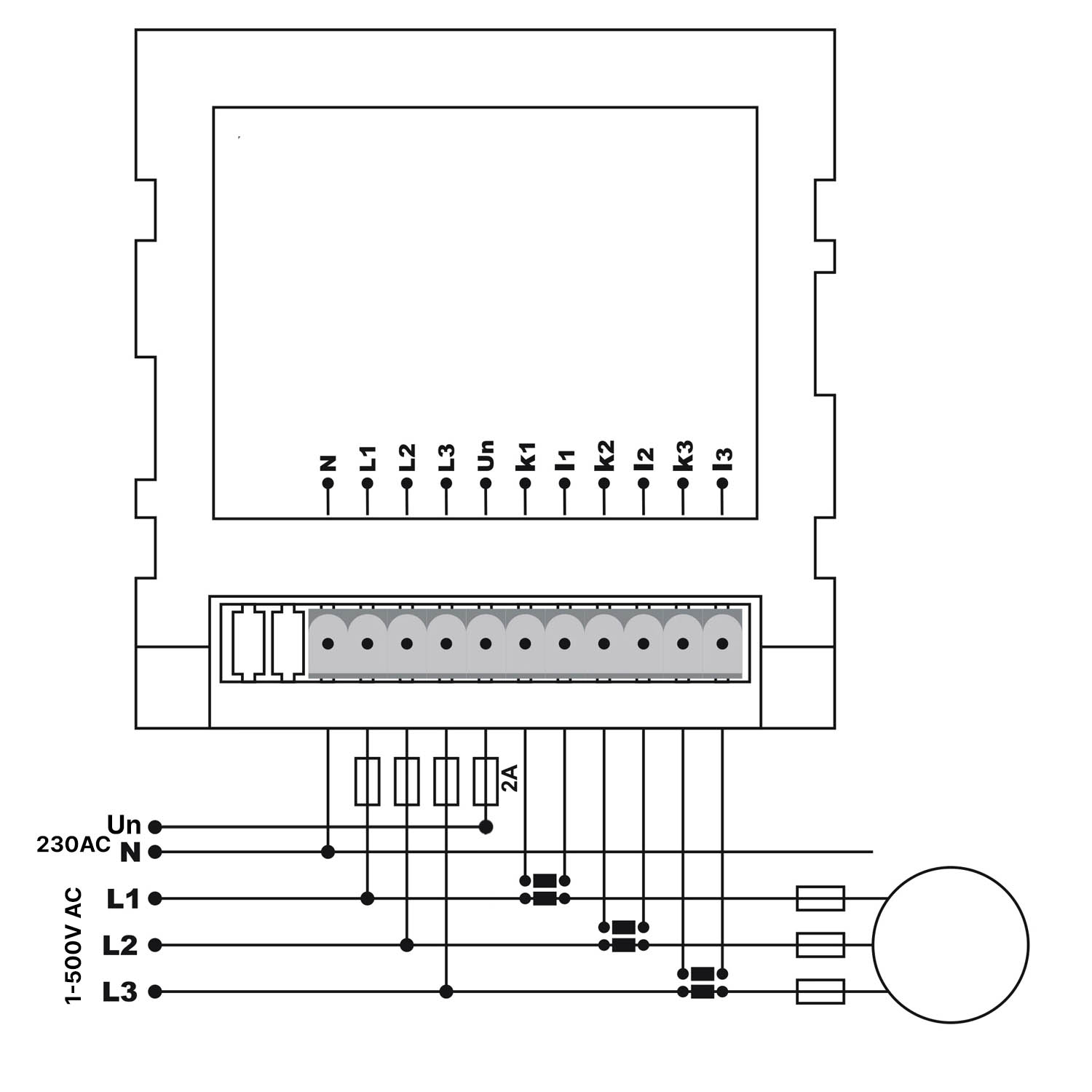
VA-mètre triphasé 10-250A/1-500V AC pour la mesure du courant, de la tension et le contrôle des connexions de phase dans les équipements triphasés, les machines ou les systèmes de distribution suite du texte

Code produit:

104256

Variantes:

en stock (6-25 pc.)
VA-mètre industriel pour 250A 2-500V intégré 104256 https://www.hotair.fr/images/produkty/2/4483/prumyslovy-va-metr-pro-vestavbu-250a-2-500v_1609846696.jpg
Cena: 1560.00
Dostupnost: en stock 6-25 pc.
Prix avec TVA Prix sans TVA
68,12 € 56,77 €
pc.
VA-mètre triphasé 10-250A/1-500V AC pour la mesure du courant, de la tension et le contrôle des connexions de phase dans les équipements triphasés, les machines ou les systèmes de distribution de courant alternatif.

Multimètre VA de panneau pour la mesure de la distribution d'énergie triphasée 1-500V AC avec mesure du courant dans la gamme de 10-250A sur chaque phase unique. Le multimètre est conçu pour être intégré dans un panneau ou une machine, il est équipé d'un bornier pour la connexion des bobines de courant qui mesurent chaque phase (3 bobines incluses). Les bobines sont scellées et le fil doit être tiré à travers elles, le diamètre intérieur de la bobine est de 30 mm. Le panneau a deux rangées d'écrans LED rouges, la première rangée affiche la tension/fréquence ou la connexion correcte de la séquence de phase (les fonctions peuvent être commutées par des boutons), la deuxième rangée est utilisée pour afficher le courant consommé.

Le multimètre est conçu pour être monté sur panneau. HxLxP) L'appareil doit être alimenté par une tension alternative de 140-270V. La bobine de courant est connectée à une ligne double d'une longueur d'environ 60 cm, qui peut être ajustée avec un fil plus long si nécessaire.

Contenu de l'emballage : ampèremètre triphasé, 3 bobines de mesure.
Paramètres
Tension d'alimentation 140-270V/AC
Puissance absorbée 6VA
Plage de mesure du courant 10-250A
Résolution 1A
Précision ±%1
Plage de tension 1 - 500V AC
Affichage LED rouge
Dimension interne de la bobine de mesure 30 mm
Dimension extérieure de la bobine de mesure 54 mm
Connexion des fils bornier
Dimensions pour l'installation 91x91x45mm (HxLxP)
Dimensions de l'appareil 97x97x52mm (HxLxP)
Poids 325g
Poids de l'emballage [kg]:0.56 kg
Plus de paramètres
Tension d'alimentation 140-270V/AC
Puissance absorbée 6VA
Plage de mesure du courant 10-250A
Résolution 1A
Précision ±%1
Plage de tension 1 - 500V AC
Affichage LED rouge
Dimension interne de la bobine de mesure 30 mm
Dimension extérieure de la bobine de mesure 54 mm
Connexion des fils bornier
Dimensions pour l'installation 91x91x45mm (HxLxP)
Dimensions de l'appareil 97x97x52mm (HxLxP)
Poids 325g
Poids de l'emballage [kg]:0.56 kg
Compteur numérique de tension et de courant alternatif (Voltmètre 60-500V AC + Ampèremètre 0-100A AC) pour l'installation dans un panneau ou un réseau ou un équipement de laboratoire. Le compteur VA avec panneau frontal carré de dimensions 28x28mm affiche la tension mesurée 60-500V AC et le courant 0-100A AC sur un écran LED à deux lignes en jaune avec une hauteur de caractère de 7 mm. Le compteur ne nécessite pas d'alimentation séparée, il est alimenté directement par les bornes de mesure de la tension. La borne à vis située à l'arrière du compteur VA est utilisée pour connecter les fils de la tension mesurée. Pour mesurer le courant, un transformateur de courant avec un trou interne de 15 mm est connecté au compteur de panneau, un fil de phase isolé est enfilé à travers le trou du transformateur pour mesurer le flux de courant alternatif. Le transformateur est relié à un fil de 30 cm de long avec un connecteur au milieu. Pour fixer le voltmètre au tableau de bord, il y a un écrou en plastique d'un diamètre de 28 mm, qui bloque l'ensemble du compteur de l'intérieur du tableau de bord, le trou pour le montage du voltmètre est de 22 mm.
14,15 € / pc. 11,79 € sans TVA
en stockplus de 25 pc.
Code:
103757
Ampèremètre numérique 0-100A pour la mesure du courant alternatif, conçu pour le montage sur panneau ou l'installation dans un réseau ou un équipement de laboratoire. L'ampèremètre avec une face avant carrée de 28x28mm affiche le courant mesuré dans la gamme 0-100A sur un écran LED vert à une ligne avec une hauteur de caractère de 12mm. L'ampèremètre est alimenté par une tension secteur de 230V, une borne à vis à l'arrière de l'ampèremètre est utilisée pour connecter l'alimentation. Pour mesurer le courant, un transformateur de courant avec un trou interne de 15 mm est connecté au panneau de mesure, un fil de phase isolé est enfilé à travers le trou du transformateur pour mesurer le flux de courant alternatif. Le transformateur est relié à un fil de 30 cm de long avec un connecteur au milieu. Pour fixer le voltmètre au tableau, il y a un écrou en plastique d'un diamètre de 28 mm, qui bloque l'ensemble du compteur de l'intérieur du tableau de bord, le trou pour le montage du voltmètre est de 22 mm.
11,53 € / pc. 9,61 € sans TVA
en stockplus de 25 pc.
Code:
103756
Compteur V/A multifonctionnel pour rail DIN avec mesure de la tension AC 80-300V, du courant 0-100A, de la fréquence 45-65Hz, de la consommation d'énergie et du facteur de puissance. Le module est conçu pour être monté sur rail DIN dans les armoires électriques des habitations, des ateliers, des usines ou des laboratoires. Le module connecté affiche toutes les informations importantes relatives à l'alimentation électrique sur un écran clair : tension, courant, consommation actuelle et totale, fréquence et facteur de puissance. Une bobine de mesure est connectée au module, qui mesure le courant jusqu'à 100 A par induction (sans contact). La bobine ne peut pas être ouverte et il est donc nécessaire de faire passer le câble à travers la bobine. Sur la face avant du module se trouvent trois écrans individuels rétro-éclairés d'une taille totale de 36x32mm, les écrans affichent les valeurs actuelles du courant, de la tension et de la consommation électrique (A,V,W), après une brève pression sur le bouton situé en dessous de l'écran, les valeurs affichées passent à la consommation électrique totale mesurée, à la fréquence de la tension secteur et à l'effet. (Kwh, HZ et cos φ). Le module mémorise la consommation totale même après la coupure de l'alimentation, une pression prolongée sur le bouton situé sous l'écran réinitialise la consommation totale. Le module est alimenté directement par le réseau 230V, la tension d'entrée est réalisée par une borne à vis commune. Contenu de l'emballage : compteur
52,40 € / pc. 43,67 € sans TVA
en stock6-25 pc.
Code:
103695
Compteur de panneau multifonctionnel avec tension 80-260V AC, mesure du courant 0-100A par transformateur de courant ouvrable, fréquence 45-65Hz, consommation d'énergie et facteur de puissance. Le module peut être installé dans des panneaux ou des boîtes de construction dans les ateliers domestiques, les laboratoires scolaires et les centres de service. Le module connecté affiche toutes les informations importantes relatives à l'alimentation électrique sur un écran clair : tension, courant, consommation actuelle et totale, fréquence et facteur de puissance. Un transformateur d'ouverture de courant est fourni avec le module et prend en charge les mesures de courant jusqu'à 100A ! La bobine mesure le courant par induction (sans contact). Il suffit de la connecter au module de mesure et de la "cliquer" sur le circuit à mesurer. La bobine peut être ouverte et cliquée sur un appareil ou un dispositif électrique déjà installé. la bobine peut être ouverte et cliquée sur un appareil ou un dispositif électrique déjà installé. Sur la face avant du module se trouve un grand écran rétroéclairé de 50 x 30 mm, qui peut afficher toutes les valeurs mesurées en même temps : tension, courant, consommation de courant en W, consommation totale en W, fréquence et FP (facteur de puissance). À côté de l'écran, il n'y a qu'un seul bouton multifonction : une pression courte permet d'allumer/éteindre le rétroéclairage (l'état du rétroéclairage est mémorisé même lorsqu'il est déconnecté de l'alimentation), une pression de 3 secondes permet de régler la puissance en watts ; en cas de dépassement, le rétroéclairage et la valeur de la puissance clignotent, une pression de 5 secondes suivie d'une courte confirmation permet de remettre à zéro le compteur de la consommation totale d'énergie. Au dos du module se trouve un bornier pour l'alimentation du module et l'entrée de la bobine de mesure. Le module est alimenté directement par le secteur. Lorsqu'il est déconnecté du réseau, le module garde en mémoire les réglages et la consommation totale d'énergie. Le schéma de câblage du module se trouve dans la galerie de produits. Contenu de l'emballage.
41,92 € / pc. 34,93 € sans TVA
en stockplus de 25 pc.
Code:
103669
Nous sommes à vos côtés depuis 20 ans
Nous sommes à vos côtés depuis 20 ans

Nous sommes à vos côtés depuis 20 ans

Nous avons parcouru un long chemin pendant cette période. Si notre histoire vous intéresse, lire la suite. Merci pour votre soutien !

Fermé aujourd'hui - jour férié. Votre commande sera traitée le jour ouvrable suivant.